Question
- Leaving Certificate Physics (Higher) 2023: Section B Q5
- Back to the question >
Answer
A student investigated the variation of current I with potential difference V for a semiconductor diode in forward bias. The following data were recorded.
|
V (V) |
0 |
0.1 |
0.2 |
0.3 |
0.4 |
0.5 |
0.6 |
0.7 |
|
I (mA) |
0 |
0 |
0 |
0 |
5 |
20 |
70 |
220 |
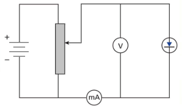
(i) Draw a circuit diagram for this experiment with the diode in forward bias.

(ii) Draw a suitable graph to show the relationship between I and V for a diode in forward bias.

(iii) Is Ohm’s law obeyed for this diode? Justify your answer.
Ohm’s law states that current is directly proportional to voltage. That would create a straight line through the origin, which is clearly not the graph shape here. Therefore, the diode is not obeying Ohm’s law.
The student then investigated the variation of current I with potential difference V for a diode in reverse bias. Several adjustments were made to the circuit.
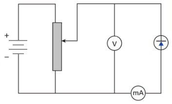
(iv) Draw a circuit diagram for this experiment with the diode in reverse bias.

(v) Sketch a graph to show the relationship between I and V for a diode in reverse bias.

