Question
- Leaving Cert. Physics (Higher) 2019: Section A Q4
- Back to the question >
Answer
In an experiment to investigate the variation of current l with potential difference V for a semiconductor diode the following data were recorded.

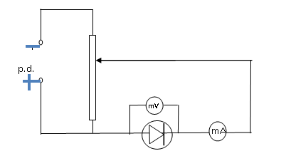
Draw a circuit diagram for this experiment.

Use the data to draw a graph of current against potential difference.
Use your graph to determine the junction voltage.
The current increases dramatically between 150 mV and 200 mV. A good approximation for the junction voltage would be 180 mV.
What happened in the diode when the junction voltage was exceeded?
The junction voltage is created with the depletion layer in the centre of the diode. The p-type material in the depletion layer has a small majority of electrons and is, therefore, negative. Conversely, the n-type material has a small positive charge. These charges create the (small) junction voltage, which is in the opposite direction to the applied voltage when the diode is in forward bias. It, therefore, limits the current flowing. When the applied voltage exceeds the junction voltage, this effect is no longer relevant and the current increases by a large amount.
Is Ohm’s law obeyed for the diode? Justify your answer.
Ohm’s law states that the voltage and current should be in direct proportion to each other. Such a relationship would create a straight line through the origin for a V-I graph. As this graph is not a straight line, we can see that Ohm’s law is not obeyed.
The diode is now reversed and data is recorded. State two other changes that are made to the circuit before recording data for a diode in reverse bias.
The diode would be reconnected with its poles reversed. As any current that flows would be extremely small, the milliammeter would have to be replaced with a microammeter. Furthermore, as the small current taken by the voltmeter would now be large enough to be relevant, the ammeter should be moved to measure only the current flowing directly through the diode.
